Ständig erobern neue Technologien die Märkte – alternativen Energiequellen kommt hierbei eine immer größere Bedeutung zu und die Mobilität erreicht eine neue Dimension. Elektroangetriebene Fahrzeuge sind bereits ein alltägliches Bild auf den Straßen und werden in absehbarer Zeit die kraftstoffgetriebenen zum Teil oder sogar vollständig ersetzen. Ob Hybrid, Batterie oder Brennstoffzelle – es werden neue Anforderungen an die eingesetzten Materialien gestellt, insbesondere hinsichtlich Optik, Haptik und Funktionalität. Durch den Wegfall von kraftstoffgetriebenen Motoren werden Knarz-, Quietsch- und Klappergeräusche im Fahrzeuginnenraum, die zum Großteil mit dem Abrieb an den Kunststoff- und angrenzenden Bauteilen einhergehen, deutlicher wahrnehmbar. Mit ihren innovativen Materialien ist die ROMIRA bereit für die Zukunft. Sie bietet zahlreiche Lösungen für Oberflächendesign und Funktionalität, sowohl für das Exterieur als auch für das Interieur, bei denen eine nachträgliche Lackierung oder Oberflächenbehandlung nicht nötig ist.
Oberflächendesign
Rotec Acrylic Compounds begeistern mit ihren brillanten Farbtiefen und werden bereits seit Jahren in der Serienproduktion führender Automobilhersteller für unlackierte Außenteile in Tiefschwarz, attraktiven Designfarben und Hochglanzoptik eingesetzt. Für das Design der Autos der Zukunft ist aktuell die Nachfrage nach Materialien mit einem tiefen Farbeindruck nicht nur in Schwarz sehr groß. Ob in Rot, Grün, Blau oder Weiß, die Teileoberfläche aus Rotec Acrylic Compounds beeindruckt mit Brillanz. Insbesondere Metalleffekte lassen sich sehr gut abbilden.
Dank der Farbkompetenz der ROWA GROUP durch das Color Competence Center werden individuelle Farbanpassungen unter Beachtung der Anforderungen an Farbstabilität nach UV- Strahlung bzw. Witterung möglich. Die einzigartigen Rotec Acrylic Compounds der ROMIRA mit der Typenbezeichnung Rotec AC- MA 500xx und die neu entwickelte Rotec AC-MA 700xx-Reihe mit erhöhter Wärmeformbeständigkeit weisen zudem eine hohe Schlagzähigkeit und sehr gute Kratzbeständigkeit im Vergleich zu anderen Kunststoffen ohne Lackierung aus. Die Acrylic Compounds ermöglichen im Gegensatz zu anderen Thermoplasten, die im Außenbereich eingesetzt werden, Kratzspuren durch Politur zu beseitigen und wieder eine glatte, glänzende Oberfläche herzustellen – ein Vorteil, der beispielsweise durch PC- haltige oder ASA Thermoplasten nicht geboten werden kann. Im Vergleich zu ähnlichen Produkten auf PMMA-Basis anderer Hersteller offeriert dieses Produkt nach Einschätzung von Verarbeitern eine bis zu 30 Prozent bessere Prozessstabilität und ein erweitertes Prozessfenster. Eine Lackierung des Bauteils ist somit nicht mehr notwendig. Optisch ist kaum ein Unterschied zwischen einem lackierten Autobauteil und einem aus unlackiertem ROTEC AC-MA Compound hergestellten Komplettierungsteil erkennbar.
Funktionelle Eigenschaften – Antiknarz und Gleitmodifizierung
Die Anwendung tribologisch funktionalisierter Compounds stellt eine kostengünstige und dauerhafte Lösung im Verhältnis zur aufwendigen Arbeit mit Antiknarzlacken oder zum händischen Aufbringen von Antiknarzbändern an den Kontaktstellen oder dem Einsatz von Schmiermittel dar. Die ROMIRA arbeitet seit mehreren Jahren erfolgreich an der Entwicklung tribologischer Compounds für den Automobilbau und bietet überall dort Lösungen, wo aufgrund von Konstruktionsgegebenheiten der direkte Kontakt zwischen Bauteilen unvermeidbar ist. Speziell dafür entwickelte Copolymere mit dem Handelsnamen Modiper der Firma NOF aus Japan, die durch Marubeni in Europa vertrieben werden, kommen dabei zum Einsatz. Generell wirkt das Modiper als Antiknarzverbesserung, auch wenn es direkt im Spritzgussverfahren zu dem entsprechenden Kunststoff hinzugegeben wird. Jedoch fehlen in den meisten Fällen die gute Dispergierung sowie die Verträglichkeit, welche die Langzeiteigenschaften der daraus hergestellten Teile beeinträchtigen kann. Dabei ist besonderes Augenmerk auf die Rezepturformulierung je nach Kunststoffmatrix zu legen: So sind die innovativen Romiloy und Rotec Compounds, wie zum Beispiel auf Basis von ABS, PC+ABS, PC+ASA, PA und PBT, entwickelt worden, um die tribologischen Effekte speziell bei Anwendungen von Kunststoffteilen auch nach Langzeittemperung bei hohen Temperaturen gegen PA Compounds mit Mineral- oder Glasverstärkung, aber auch Kunstleder als Reibpartner zu erzielen.
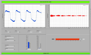
Die Ermittlung von Quietsch- bzw. Knarz-Geräuschen erfolgt anhand des sogenannten Stick-Slip-Tests nach VDA 230-206. Die Knarz-Geräusche zwischen den Reibpartnern werden nach Anbringen von definierter Kraft und Reibgeschwindigkeit aufgezeichnet und als Ergebnis wird die Risk-Priority-Nummer (RPN) von 1 bis 10 (siehe Abbildung 1) bestimmt.
Abb. 1: Test durchgeführt bei NOF

Die Abbildungen 2 und 3 zeigen die Ergebnisse von Reibpaarungen zwischen Leder und Rotec ABS mit Antiknarz-Ausrüstung im Vergleich zu einem Standard ABS. Deutlich zu erkennen ist der reduzierte Reibwiderstand mit einer RPN von 2 bei dem Rotec ABS antiknarz modifiziert (Abb. 3) im Vergleich zu RPN von 9 bei dem Standard ABS (Abb. 2)
Aus der Reihe erfolgreicher Anwendungen können hier Problemlösungen mit tribologischen Compounds der ROMIRA GmbH genannt werden, wie sie zum Beispiel bei klappbaren Konsolen, Armlehnen, Türschlössern, Gleitschienen, Aschenbechern oder auch Schiebedachelementen zum Einsatz kommen. Diese Compounds sind zudem vorteilhaft gegenüber Materiallösungen mit PTFE-Zusatz, die eine geringere Oberflächenqualität aufweisen und im Dauerlauftest einem höheren Abrieb unterliegen. Teile aus den ROMIRA Compounds dagegen zeichnen sich mit einer sehr guten Abriebfestigkeit sowie Langzeiteigenschaften aus und benötigen keine zusätzliche Lackierung.
Abb. 2: Materialpaarung ABS und Kunstleder 40Nx1mm/s 89 °Cx300h)


